EN

產品類別

所有產品類別

產品專區 Products Catagory

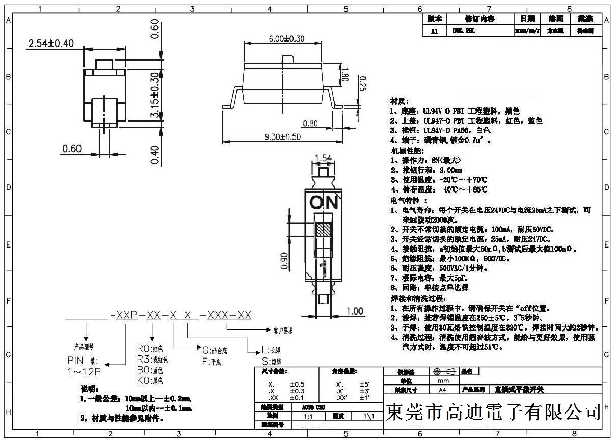
產品名稱 DIP-M-01

產品規格

DIP-M-01(图1)

DIP-M-01(图2)

DIP-M-01(图3)