EN

產品類別

所有產品類別

產品專區 Products Catagory

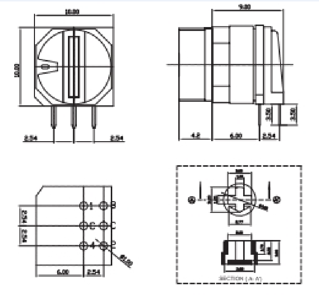
產品名稱 PDR-08H1(AC-100R)

產品規格

2-21112215103CW.png