EN

產品類別

所有產品類別

產品專區 Products Catagory

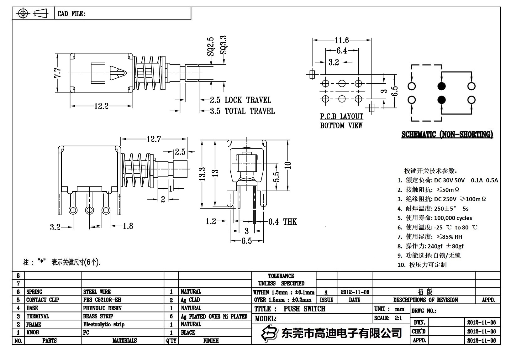
產品名稱 PS-22F23-KDRR

產品規格

PS-22F23-KDRR(图1)

 

按键开关技术参数:

1. 额定负荷: DC 30V 50V  0.1A  0.5A

2. 接触阻抗: 50mΩ

3. 绝缘阻抗: DC 250V 100mΩ       

4. 耐焊温度: 250±5° 5s

5. 使用寿命: 100,000 cycles

6. 使用温度: -25 to 80

7. 使用湿度: 85% RH       

8. 操作力: 240gf ±80gf

9. 功能选择:自锁/无锁                 

10. 按压力可定制

Push button switch  technical parameters:

1. Rated load: DC 30V 50V 0.1A 0.5A

2. Contact impedance: 50mΩ

3. Insulation resistance: DC 250V 100mΩ

4. Soldering resistance temperature: 250±5° 5s

5. Service life: 100,000 cycles

6. Operating temperature: -25 to 80

7. Operating humidity: 85% RH

8. Operating force: 240gf ±80gf

9. Function selection: self-locking/non-locking

10. According to the pressure can be customized