EN

產品類別

所有產品類別

產品專區 Products Catagory

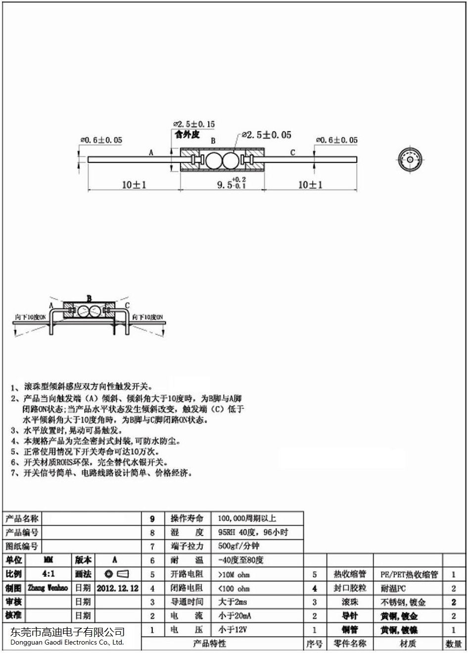
產品名稱 SW-120D

產品規格

2-210Z614563K58.jpg