EN

產品類別

所有產品類別

產品專區 Products Catagory

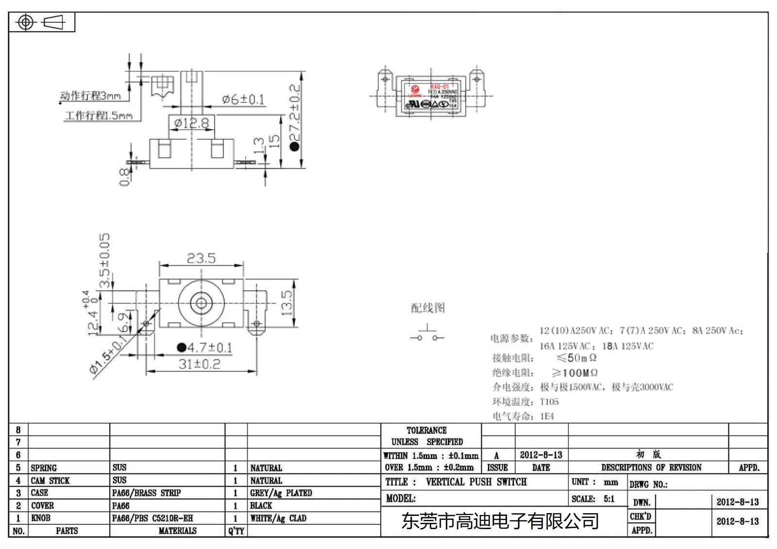
產品名稱 KAG-01A5

產品規格

KAG-01A5(图1)