EN

產品類別

所有產品類別

產品專區 Products Catagory

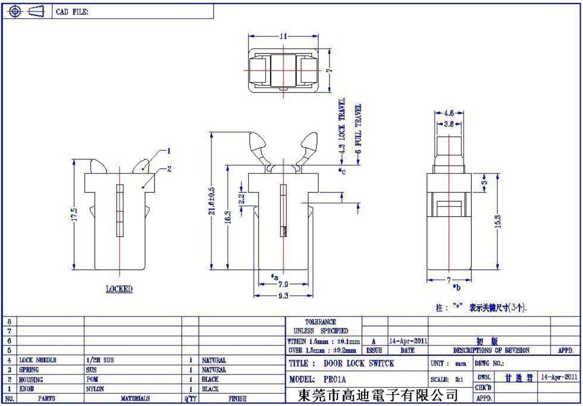
產品名稱 PR-1N

產品規格

PR-1N(图1)

PR-1N(图2)